|
PP
Serija
MAGNETNE ČRPALKE(gnane
z magnetno sklopko)
    |  DELOVANJE in OPIS Črpalke Lastratech :MAGNETA so horizontalno sesalne črpalke breztesnilne izvedbe. Namenjene so za doziranje ali kontinuirano prečrpavanje v procesnih sistemih.Namenjena je za prečrpavanje nevarnih tekočin kot so lugi , kisline strupi odpadne vode kakor tudi za čiste tekočine in tiste tekočine ki ne smejo priti v stik z atmosfero,pretakanje nevarnih strupov kontinuirano filtriranje... Osnovna oblika je kot pri horizontalnih klasičnih črpalkah s tem da je nosilni okvir izdelan iz polipropilena in je korozijsko odporen.Konstukcija omogoča s sesalno posodo do 4m samosesalne višine.Suhi tek ni dovoljen . Črpalka omogoča dolgo življensko obratovanje. Zaradi inovativne konstrukcije je magnetni del hermetično zaprt. Tesnil na pogonski gredi ni zato onemogoča kakršnokoli izcejanje ali solzenje medija v okolico . Črpalka Lastratech MAGNETA je grajena za varno prečrpavanje raznih kislin,lugov,solnih razstopin,strupenih tekočin in čistih tekočin vse do gostote 1,9kg/dm3. Kovinskih elementov ki pridejo v stik z tekočino ni vse je izdelano iz PP in SiC-keramike.
 |
 |
|

MAGNETNA SKLOPKA Rotor črpalke je pritrjen na magnetno jedro.Magnetno jedro z rotorjem je keramični ležajeno in teče v ločeni komori katera služi še kot nosliec za keramični ležaj . Na elektromotor je nasajen valjasti okvir s pritrjenimi visoko zmoglivimi permanentnimi magneti ki ustvarijo magnetni zaključen krog in preko magnetnega momenta poganjajo jedro z rotorjem v ločeni komori. Tako je tekočina (KISLINA) popolnoma ločena od pogonske gredi elektromotorja in preprečuje kakršno koli uhajanje nevarne snovi v okolje. Magnetni momenti so tako veliki da se lahko poganja črpalke tudi z močmi nekaj kilovatov. Vsi elenemti ki pridejo v stik s tekočino so plastični in keramični. Serijsko izdelujemo črpalke vse do moči 4kw in maksimalnega pretoka 30m3/h.

|

TEHNIČNE INFORMACIJE : Črpalke z magnetno sklopko | |
: | MAGNETA 60 | MAGNETA 80 | |
motorja/: | SIEMENS 230/400V 50Hz | SIEMENS 230/400V 50Hz | | ZAŠČITA: | IP 55 | IP 55 | | MOČ MOTORJA: | 0,37KW | 0,55KW | | OSNOVNA KONSTRUKCIJA: | PP s | | TESNILA OHIŠJA : | FPM | | GRED: | Oksidna keramika | | AKSIALNI LEŽAJ | Oksidna keramika | | ROTOR | PP | | DRSNI ELEMENT | PTFE+CARBON | | | | | | Max pretok: | 60 l/min =3m3/H | 80 l/min =4.8 m3/H | | Max.tlačna višina: | 7 mVS | 9 mVS | | Max. kinem.viskoznost | 114 mm/s2 | | Material črpake | polipropilen / PTFE+C /oksidna keramika | | Max temp medija: | 70 0C |
| | Dim sesalne cevi: | DA 32mm | DA 32mm | | | | | | Dim tlačne cevi : | DA 20mm | DA 25mm | | | | | | Teža: | 2kg | 3kg |
| | | | | | | | Način priklopa tlačno sesalnecevi | UNC ali holandci+GF,* | | *Prirobnice DIN 2501 po naročilu | | | | | | Ne sme obratovati v suhem teku. |
|
|
| |
|

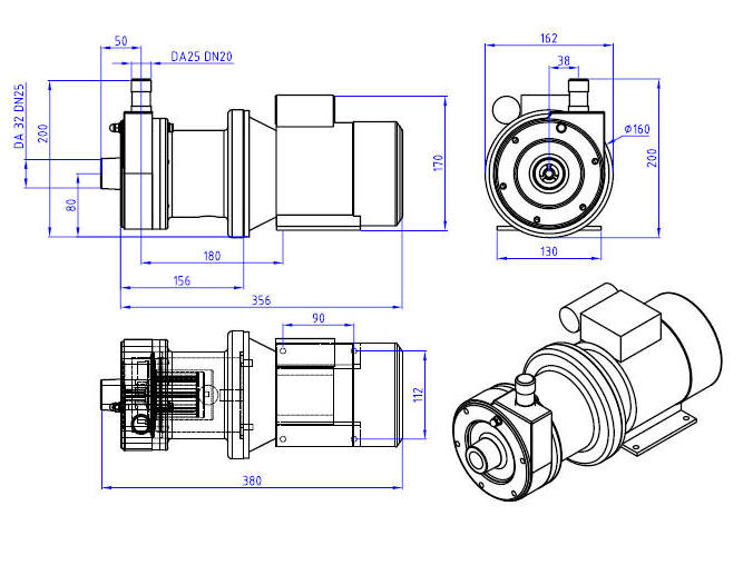
Vgradne dimenzije
: MAGNETA 80 PP


FILTRIRNA NAPRAVA
:
FN 5003
FN -S-PP + Magneta
60 PP (230 V)
 |
 |
|
| |
|
|
|

Proto
MAGNETA
250 PP- 300l/min, 1.5kW
 |
|




H-Q diagram :
: MAGNETA 60 PP
 
 H-Q diagram :
: MAGNETA 80 PP
 


 -sesalna posoda za samosesanje do 4mVS -fekvenčni regulator direktno integriran na elektromotor za točnokrmiljenje pretoka -nepovratni ventili na sesalni/tlačni strani -sesalna košara z filtrom
- merilnik pretoka za obratovanje na način VPIŠI KOLIČINO PRITISNI START - ko doseže količino ČRPALKA STOP - filtri in dozirni sistemi za kontinuirano obratovanje |  | [ Nazaj ] [ Izdelki ] [ Lokacija ] [ Novosti ] [ Uporabne info. ] [ E-Mail ] LASTRATECH d.o.o. , Rakovica 28, 4201 Zg.Besnica-KRANJ tel: 04 250 66 30 fax: 04 250 66 33, gsm: 041 642 631 |
|